欧姆定律

欧姆定律

收藏豆荚
剥了 7 次
年级:未设置
科目:物理
郭纬深
2026-03-09
12 颗豆豆
1. 单选题
60 秒
<p>某同学在探究“电流跟电压、电阻的关系”时&#xff0c;根据收集到的数据画出了如图所示的I&#xfe63;R图象&#xff0c;下列结论与图象相符的是</p>

某同学在探究“电流跟电压、电阻的关系”时,根据收集到的数据画出了如图所示的I﹣R图象,下列结论与图象相符的是

电阻一定时,电流随着电压的增大而增大

电阻一定时,电压随着电流的增大而减小

电压一定时,电阻随着电流的增大而减小

电压一定时,电流随着电阻的增大而减小

2. 单选题
60 秒

下列关于电流、电压和电阻的关系说法正确的是

由U=IR可知,电阻一定,电压与电流成正比

由I=U/R可知,电阻一定,电流与电压成正比 

由R=U/I可知,电流一定,电阻与电压成正比 

电路中有电压一定有电流,有电流不一定有电压

3. 单选题
90 秒
<p>现利用如图甲所示的电路来探究电流和电阻的关系&#xff0c;电源电压保持3V不变&#xff0c;分别将5Ω、10Ω、15Ω、20Ω、25Ω的定值电阻R连入电路&#xff0c;按实验要求测得通过各定值电阻的电流&#xff0c;描绘出如图乙所示的图象。下列判断中&#xff0c;正确的是</p>

现利用如图甲所示的电路来探究电流和电阻的关系,电源电压保持3V不变,分别将5Ω、10Ω、15Ω、20Ω、25Ω的定值电阻R连入电路,按实验要求测得通过各定值电阻的电流,描绘出如图乙所示的图象。下列判断中,正确的是

实验中电压表示数保持1V不变

当R的阻值是10Ω时,通过R的电流为0.5A

滑动变阻器连入电路中的阻值变化范围是0~25Ω

将R从5Ω的电阻换成10Ω的电阻后,应将滑片P向右移动

4. 单选题
45 秒

滑动变阻器在不同电学实验中有不同的作用,下列实验中,滑动变阻器的作用是保持导体两端电压不变的是

探究电流与电压的关系

探究电流与电阻的关系

伏安法测小灯泡的电功率

探究影响电磁铁磁性强弱的因素

5. 单选题
60 秒
<p>某同学在探究“电流跟电阻、电压的关系”时&#xff0c;收集到的数据如下表&#xff0c;根据表中数据可得出的实验结论为</p>

某同学在探究“电流跟电阻、电压的关系”时,收集到的数据如下表,根据表中数据可得出的实验结论为

电阻一定时,电流与电压成正比

电阻一定时,电压与电流成正比

电压一定时,电阻与电流成反比

电压一定时,电流与电阻成反比

6. 单选题
45 秒

在“探究电流跟电压、电阻关系”的实验中,同学们绘制的四条图线如图,正确的是

7. 单选题
60 秒
<p>如图是电阻R<sub>1</sub>和R<sub>2</sub>的I&#xfe63;U图像&#xff0c;则</p>

如图是电阻R1和R2的I﹣U图像,则

R1的阻值为10Ω

R1的阻值大于R2的阻值

将R1、R2串联接入电源电压为4.5V电路中,电路中的电流为0.3A

将R1、R2并联接入电路中,通过R1的电流小于通过R2的电流

8. 单选题
60 秒
<p>小柯同学在做研究串联电路特点的实验中&#xff0c;将一个阻值约为10欧的普通小灯泡L和个阻值为100多欧的LED灯串联后接入电路&#xff08;如图&#xff09;。闭合开关S&#xff0c;发现LED灯亮而小灯泡L不亮&#xff0c;且电流表无示数。针对这种现象&#xff0c;以下分析不正确的是</p>

小柯同学在做研究串联电路特点的实验中,将一个阻值约为10欧的普通小灯泡L和个阻值为100多欧的LED灯串联后接入电路(如图)。闭合开关S,发现LED灯亮而小灯泡L不亮,且电流表无示数。针对这种现象,以下分析不正确的是

电流表可能短路

小灯泡灯丝断了

普通灯泡中的电流等于LED灯中的电流

LED灯两端的电压大于普通灯泡两端的电压

9. 单选题
60 秒

如图是四位同学设计的用伏安法测电阻R的电路图,其中正确的是

10. 单选题
60 秒
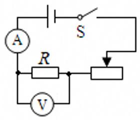
<p>如图是“伏安法测电阻”的实验电路图。关于该实验&#xff0c;下列说法正确的是</p>

如图是“伏安法测电阻”的实验电路图。关于该实验,下列说法正确的是

实验只需记录一组电压和电流,求出电阻即可

滑动变阻器的作用是改变电源电压

实验应多次测量取平均值,是为了减小误差

如果将电阻R换成小灯泡,同样应该多次测量取平均值

11. 单选题
60 秒
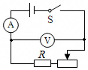
<p>如图所示是某同学为测量标有“2.2V 0.25A”小灯泡的电阻而连接的实物电路。有关实物电路的连接&#xff0c;下列说法正确的是</p>

如图所示是某同学为测量标有“2.2V 0.25A”小灯泡的电阻而连接的实物电路。有关实物电路的连接,下列说法正确的是

滑动变阻器接法正确

电流表正、负接线柱接反

电流表测量范围选择正确

电压表测量范围选择错误

12. 单选题
60 秒

在“伏安法测小灯泡电阻”的实验中,下列操作中有问题的是

在连接电路的过程中,开关处于断开状态

在连接电路的过程中,滑动变阻器的滑片处于阻值最大的位置

电压表并联在被测灯泡两端,电流表串联在被测电路中

试触时发现电流表指针反向偏转,电压表正常,应断开开关,将电池的正负极对调

剥豆豆
金牌
会员
无限剥豆豆游戏,更详尽的游戏报告,更多学员的支持
仅需0.6/日
你可能喜欢
周长
剥了 2 次
u3词汇
剥了 3 次
进程死锁
剥了 2 次
进程调度
剥了 2 次
Math is Fun 1
剥了 3 次