IG electricity

IG electricity

收藏豆荚
剥了 1 次
年级:未设置
科目:物理
Rossi Zhang
2026-01-07
21 颗豆豆
90 秒
<p>请问他说了什么</p>

请问他说了什么

菜就多练
输不起就别玩
以前是以前
现在是现在
2. 单选题
60 秒

A total charge of 1000 C moves through 100 Ω resistor in a time interval of 10s, calcualte the current flow across the resistor.

10000

1000

100

10

1

60 秒

A total charge of 1000 C moves through 100 Ω resistor in a time interval of 10s, calcualte the potential difference between the two sides of resistor. 填空题都不要写单位

10000
90 秒

A total charge of 1000 C moves through 100 Ω resistor in a time interval of 10s, calcualte the power of resistor. (不要写科学计数法)

1000000
5. 单选题
45 秒
<p>Which resistor has the smallest resistance at V<sub>1</sub>?</p>

Which resistor has the smallest resistance at V1?

A

B

C

D

6. 单选题
45 秒
<p>Which resistor is filament lamp?</p>

Which resistor is filament lamp?

A

B

C

D

7. 单选题
60 秒
<p>When the switch is closed, what is the ratio of the reading on ammater X and Y?</p>

When the switch is closed, what is the ratio of the reading on ammater X and Y?

1:1

1:2

2:1

3:2

3:1

45 秒
<p>开关闭合&#xff0c;Assume R&#61;6Ω&#xff0c;what is the total resistance of this circuit?</p>

开关闭合,Assume R=6Ω,what is the total resistance of this circuit?

4
4.0
双倍得分
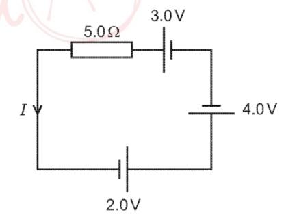
90 秒
<p>Calculate the current I in the circuit</p>

Calculate the current I in the circuit

0.2
10. 单选题
45 秒
<p>Assume conductor A and B are made by same material. The ratio of cross-sectional area of A and B is 1:4. What is the ratio of diameter of A and B?</p>

Assume conductor A and B are made by same material. The ratio of cross-sectional area of A and B is 1:4. What is the ratio of diameter of A and B?

1:2

2:1

4:1

condition is not enough

1:4

11. 单选题
45 秒
<p>(同材料&#xff0c;A,B截面积比1:4). Assume the temperature is constant and length of A and B are same, what is the ratio of resistance of A and B?</p>

(同材料,A,B截面积比1:4). Assume the temperature is constant and length of A and B are same, what is the ratio of resistance of A and B?

1:2

2:1

4:1

condition is not enough

1:4

12. 单选题
60 秒

A

B

C

D

13. 单选题
30 秒

A

B

C

D

14. 单选题
双倍得分
90 秒

2:1

8:1

1:2

1:8

1:32

32:1

15. 单选题
45 秒

A

B

C

D

16. 单选题
45 秒

A

B

C

D

17. 单选题
45 秒

A

B

C

D

双倍得分
60 秒
3.5
19. 单选题
30 秒
<p>假设这个热敏电阻的温度升高</p>

假设这个热敏电阻的温度升高

A

B

C

D

20. 单选题
60 秒

A

B

C

D

双倍得分
60 秒
<p>根据图中的实验结果&#xff0c;有多少个钉子是弱磁铁&#xff1f;</p>

根据图中的实验结果,有多少个钉子是弱磁铁?

4
剥豆豆
金牌
会员
无限剥豆豆游戏,更详尽的游戏报告,更多学员的支持
仅需0.6/日
你可能喜欢
大作+年会
剥了 2 次
Day365
剥了 2 次
FITNESS与GOLF
剥了 3 次
PFA赢大奖
剥了 3 次
G8 中国古代史(下)政治史复习
剥了 3 次