自动控制系统

自动控制系统

收藏豆荚
剥了 4 次
年级:其他
科目:职业发展
小蜜蜂
2025-05-25
3 颗豆豆
1. 单选题
30 秒
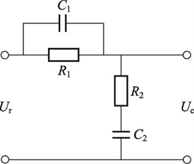
<p>该装置属于什么校正装置</p>

该装置属于什么校正装置

超前

滞后

滞后-超前

2. 单选题
30 秒
<p>该装置属于什么校正装置</p>

该装置属于什么校正装置

超前

滞后

滞后-超前

3. 单选题
30 秒
<p>该装置属于什么校正装置</p>

该装置属于什么校正装置

超前

滞后

滞后-超前

剥豆豆
金牌
会员
无限剥豆豆游戏,更详尽的游戏报告,更多学员的支持
仅需0.6/日
你可能喜欢
《三角洲行动》游戏知识测验
剥了 2 次
KR-2026Explorer博弈前线规则考核 50题
剥了 5 次
卫生设计小测验demo
剥了 2 次
华光、东弘第47期实习生培训晚宴答题互动
剥了 2 次
形容词
剥了 2 次