参考方向的判断

参考方向的判断

收藏豆荚
剥了 6 次
年级:大学
科目:高等教育
ZYOUNG
2023-09-07
6 颗豆豆
1. 单选题
20 秒
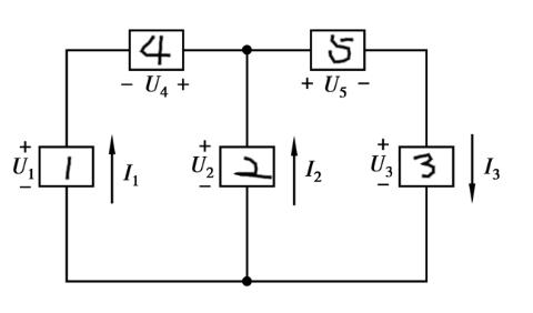
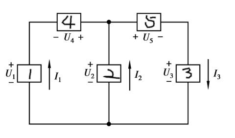
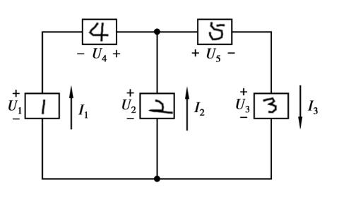
<p>哪个元件的参考方向是非关联参考方向&#xff1f;</p>

哪个元件的参考方向是非关联参考方向?

1

2

3

2. 单选题
20 秒
<p>I<sub>1</sub>&#61;-5A&#xff0c;I<sub>2</sub>&#61;1A&#xff0c;I<sub>3</sub>&#61;-2A&#xff0c;图中经过元件的电流与实际方向相同的是&#xff1f;</p>

I1=-5A,I2=1A,I3=-2A,图中经过元件的电流与实际方向相同的是?

1

2

3

3. 单选题
20 秒
<p>U<sub>1</sub>&#61;10V&#xff0c;电压的实际方向与参考方向相反的是&#xff1f;</p>

U1=10V,电压的实际方向与参考方向相反的是?

1

2

3

4. 单选题
20 秒
<p>参考方向是关联参考方向的是几号元件&#xff1f;</p>

参考方向是关联参考方向的是几号元件?

1

2

3

4

5. 单选题
20 秒
<p>U<sub>1</sub>&#61;-1V&#xff0c;U<sub>2</sub>&#61;-3V&#xff0c;U<sub>3</sub>&#61;3V&#xff0c;U<sub>4</sub>&#61;-2V&#xff0c;U<sub>5</sub>&#61;-1V&#xff0c;电压与实际方向相同的是几号元件&#xff1f;</p>

U1=-1V,U2=-3V,U3=3V,U4=-2V,U5=-1V,电压与实际方向相同的是几号元件?

1

2

3

4

6. 单选题
20 秒
<p>I<sub>1</sub>&#61;4A&#xff0c;I<sub>2</sub>&#61;-1A&#xff0c;I<sub>3</sub>&#61;9A&#xff0c;电流的实际方向与参考方向相反的是几号元件&#xff1f;</p>

I1=4A,I2=-1A,I3=9A,电流的实际方向与参考方向相反的是几号元件?

1

2

3

4

剥豆豆
金牌
会员
无限剥豆豆游戏,更详尽的游戏报告,更多学员的支持
仅需0.6/日
你可能喜欢
Unit 2 Passage A Vocabulary
剥了 4 次
趣味问答
剥了 2 次
测试用
剥了 2 次
第十次例会
剥了 2 次
五种沟通方式
剥了 2 次